ASE80-70-SH-WH
VPC Pneumatic
| Körpermaterial: | |
|---|---|
| Bohrung: | |
| Schlaganfall: | |
| Qualitätsgarantie: | |
| Verfügbarkeitsstatus: | |
Produktbeschreibung
1. Gemäß ISO21287 Standard, die Montagegröße liegt im Trend.
2. Der Zylinderkörper verbindet sich mit den Gewinden der vorderen und hinteren Abdeckung und sorgt so für hohe Festigkeit und einfache Wartung.
3. Der Innendurchmesser des Körpers wird durch Walzen behandelt und anschließend hart eloxiert, wodurch eine hervorragende Abriebfestigkeit und Haltbarkeit erreicht wird.
4. Die Kolbendichtung weist eine heterogene Zwei-Wege-Dichtungsstruktur auf. Es hat kompakte Abmessungen und die Funktion der Ölreservierung.
5. Durch die kompakte Struktur können effektiv fünfzig Prozent Installationsraum eingespart werden ISO15552-Standardzylinder.
6. Um den Zylinderkörper herum befinden sich Magnetschalterschlitze, die die Installation eines Induktionsschalters erleichtern.
7. Ein Stoßfänger ist vorhanden und kann überschüssige Energie absorbieren.
8.Installieren Zubehör mit verschiedenen Spezifikationen ist optional.


※Standard-Thread ist hier leer.

Produktspezifikationen
| Bohrung (mm) | 12 | 16 | 20 | 25 | 32 | 40 | 50 | 63 | 80 | 100 | 125 |
| Arbeitsmedium | Saubere Luft (40 µm Filterung) | ||||||||||
| Schauspieltyp | Doppelt wirkend | ||||||||||
| Einfachwirkender Push-Typ, einfachwirkender Pull-Typ | |||||||||||
| Druck | Doppeltwirkend: 0,1 bis 1,0 MPa (14 bis 145 psi) | ||||||||||
| Einfachwirkend: 0,2 bis 1,0 MPa (28 bis 145 psi) | |||||||||||
| Garantierter Druck | 1,5 MPa (215 psi) | ||||||||||
| Geschwindigkeitsbereich | Doppeltwirkend: 30 bis 500 mm/s Einfachwirkend: 50 bis 500 mm/s | ||||||||||
| Schlaganfalltoleranz | Hub≤100+1,0 Schlaganfall>100+1,5 | ||||||||||
| Kissentyp | Stoßstange | ||||||||||
| Portgröße | M5X0,8 | G1/8 | G1/4 | ||||||||
| Bohrungsgröße (mm) | Standardhub (mm) | Max. Standardhub | ||
| Gemeinsamer Typ | Doppelt wirkend | 12 | 5 10 15 20 25 30 35 40 45 50 | 50 |
| 16 | 5 10 15 20 25 30 35 40 45 50 55 60 70 75 | 75 | ||
| 20 | 5 10 15 20 25 30 35 40 45 50 55 60 70 75 80 90 100 | 100 | ||
| 25 | 5 10 15 20 25 30 35 40 45 50 55 60 70 75 80 90 100 110 120 125 150 | 150 | ||
| 32 40 | 5 10 15 20 25 30 35 40 45 50 55 60 70 75 80 90 100 110 120 125 150 160 175 200 | 200 | ||
| 50 63 | 5 10 15 20 25 30 35 40 45 50 55 60 70 75 80 90 100 110 120 125 150 160 175 200 225 250 | 250 | ||
| 80 100 125 | 5 10 15 20 25 30 35 40 45 50 55 60 70 75 80 90 100 110 120 125 150 160 175 200 225 250 275 300 | 300 | ||
| Einfach wirkend | 12 | 5 10 | 10 | |
| 16~100 | 5 10 15 20 25 | 25 | ||
| Nicht rotierendes Joch | Doppelt wirkend | 12 | 5 10 15 20 25 30 35 40 45 50 | 50 |
| 16 | 5 10 15 20 25 30 35 40 45 50 55 60 70 75 | 75 | ||
| 20 25 | 5 10 15 20 25 30 35 40 45 50 55 60 70 75 80 90 100 | 100 | ||
| 32 40 | 5 10 15 20 25 30 35 40 45 50 55 60 70 75 80 90 100 | 100 | ||
| 50 63 | 5 10 15 20 25 30 35 40 45 50 55 60 70 75 80 90 100 | 100 | ||
| 80 100 | 5 10 15 20 25 30 35 40 45 50 55 60 70 75 80 90 100 | 100 | ||
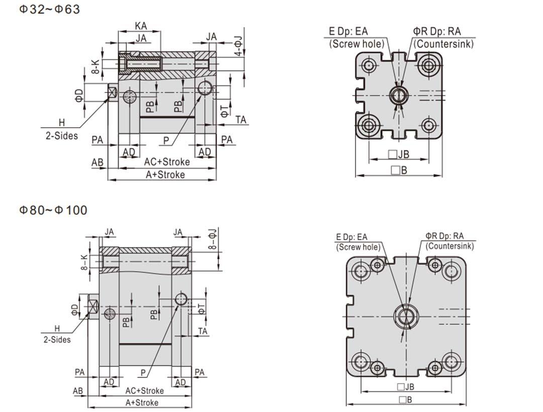
Hauptabmessungen





Produkt-FAQ
F1: Wie erhöhe ich den Druck in meinem Pneumatikzylinder?
A: Eine andere Möglichkeit, die vom Zylinder erzeugten Kräfte zu erhöhen oder zu verringern, besteht darin, einen Zylinder mit entweder größerem (größere Kraft) oder kleinerem (geringere Kraft) Durchmesser zu wählen. Denken Sie daran: Je größer der Durchmesser, desto größer die Oberfläche des Kolbens und desto höher der Druck.
F2: Wie stellt man die Geschwindigkeit des Luftzylinders ein?
A: Wenn der Zylinderkolben ausfährt, wird die Luft dahinter komprimiert, da die Luft nicht leicht entweichen kann. Wenn Sie die Durchflussregulierschraube festziehen, verlangsamt sich die Bewegung des Kolbens, da die Luft noch weiter eingeschränkt wird. Steuert die Geschwindigkeit eines Zylinders oder begrenzt den Luftstrom. Drehen Sie einfach das Nadelventil, um die Luftgeschwindigkeit anzupassen.
F3: Wie viel Kraft kann ein Pneumatikzylinder erzeugen?
A: Die theoretische Krafteinheit des Luftzylinders ist N, z. B. beträgt die Arbeitsdruckkraft bei 32 mm Bohrung und 0,1 MPa 80,4 N. Das Diagramm wird nur zu Referenzzwecken aus der Berechnungsformel der theoretischen Kraft abgeleitet.

◆ Kraftrechner für pneumatische Zylinder
F4: Verkaufen Sie Reparatursätze für Pneumatikzylinder?
A: Ja, wir verkaufen alle Arten von Zylinderreparatursätzen und anderem Zubehör. Bitte kontaktieren Sie uns, wenn Sie welche benötigen.
Katalog PDF
Keine Produkte gefunden