Anzahl Durchsuchen:259 Autor:Site Editor veröffentlichen Zeit: 2025-02-17 Herkunft:Powered
◆ Offizielle offizielle spanische Sprachwebsite
In pneumatischen Systemen ist das Symbol für Magnetventilsteuerungsschaltung ein schematisches Diagramm , das zur Beschreibung seiner Funktion verwendet wird, die normalerweise aus , Kastenpfeilen besteht , ' t ' und englische Zeichen.
Das Diagramm des Magnetventils zeigt die Verbindungs- und Kontrolllogik des Magnetventils innerhalb des Systems. Das Magnetventilsymbol im pneumatischen Schaltplan folgt ISO 1219 und ANSI -Standards.
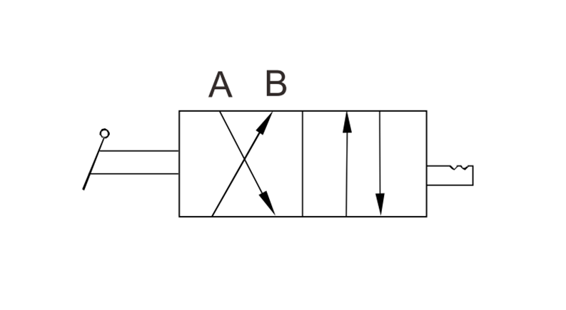
1. Position vs Port
' Anzahl der Positionen ': Bezieht sich darauf, wie viele Arbeitspositionen die Ventilspule des Magnetventils haben. Die Kästchen im Grafiksymbol repräsentieren die Arbeitspositionen des Ventils, und die Anzahl der Felder repräsentiert die Anzahl der Positionen.

' Anzahl der Ports ': Bezieht sich auf die Anzahl der nicht interkonierten Ports auf der Ventilkörper. Es wird bestimmt, indem die Anzahl der Punkte auf dem Quadrat beobachtet wird, die sich mit der Pfeillinie und der T -Linie kreuzen . Die beiden Enden der Pfeillinie repräsentieren zwei Ports, T repräsentiert einen Port und die Anzahl der Punkte ist die 'Anzahl der Ports'.
2 Position 3 Port
2 Position 5 Port
2. Magnetventilsymbol Symbol

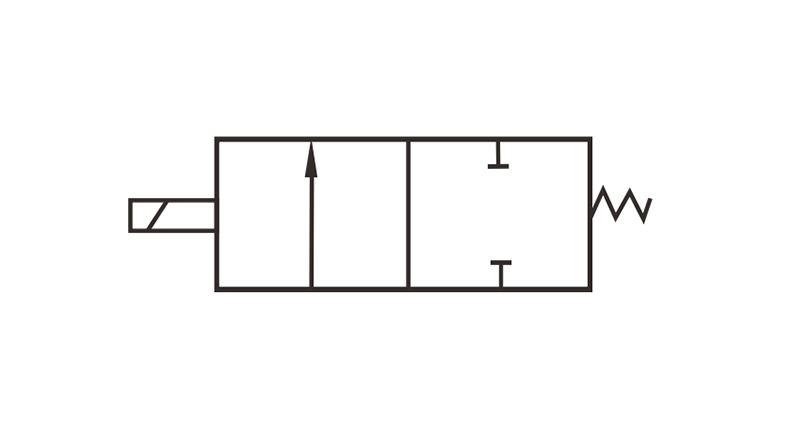
① ' □ ' zeigt die Position der Ventilspule an, die normalerweise zwei oder drei Kisten entspricht . Die Anzahl der Kästchen gibt die Anzahl der 'Positionen' an . Die Schachtel in der Nähe der Spule repräsentiert den Zustand des Ventilspulens, wenn die Spule mit Energie versorgt wird , und die Schachtel in der Nähe der Feder repräsentiert den Zustand des Ventilkerns, wenn die Spule de-verstärkt wird und die Feder zurückgesetzt wird.
② '→ ' zeigt an, dass die beiden Ports verbunden sind , die Richtung des Pfeils jedoch nicht unbedingt die tatsächliche Richtung des Luftstroms angibt (die spezifische Richtung unterliegt der tatsächlichen Situation ).
③ '┻ ' oder '┳ ' zeigt an, dass der Port geschlossen ist.
④ Die Anzahl der an der Außenseite des Kasten angeschlossenen Schnittstellen gibt die Anzahl der 'Ports' an.
⑤ Das Muster links repräsentiert die Magnetspule.
⑥ Das Muster rechts repräsentiert eine Feder.
⑦ Die englischen Zeichen repräsentieren die Ports auf der Ventilbehörde, die der Einlassanschluss , anschließt , und den Auspuffanschluss . Sie sind in Drei-Wege, Vier-Wege und Fünf-Wege unterteilt.
- Einlassanschluss (P): Verbindung zu den Luftbehandlungseinheiten herstellen.
- Arbeitsanschluss (A und B): Verbindung zum pneumatischen Aktuator oder Gerät herstellen.
- Auspuffanschluss (R und S): Schließen Sie mit dem Schalldämpfer an.
*Der Status der Ports unter jedem Kasten ist unterschiedlich, was bedeutet, dass sich die Verbindungsmethode der Ports an verschiedenen Positionen der Ventilspule geändert hat.

3. Art des Magnetventilsymbols
4. Arten von Magnetventil
① Basierend auf der Betriebsmethode
Direktwirkungsmagnetventil : Verwenden Sie direkt die elektromagnetische Kraft , um die Magnetventilspule zu drücken, um den Eingang des Luftwegs zu erreichen. Arbeiten Sie unter niedrigem Druck und geringem Durchfluss. Schnelle Reaktionszeit.
Pneumatisches Pilotmagnetventil : Unter der Wirkung der elektromagnetischen Kraft wird das Pilotventil zuerst geöffnet, damit die Luft die Luftkammer von Ventilspulen betreten kann , und der Luftdruck wird verwendet, um die Magnetventilspule zu drücken, um die Verbindung und Trennung zwischen der Luft zu erreichen Schaltungen. Geeignet für Hochwasser- und Hochdruckanwendungen.
② Basierend auf der Flusskonfiguration
| Ventiltyp | Ports/Positionen | Funktion | Anwendung |
| 2/2-Wege-Magnetventil | 2 Ports - 2 Positionen | Grundtyp . Normalerweise verwendet, um das Ein- und Ausschalten einer bestimmten Flüssigkeit zu steuern. | Geeignet für Anwendungen wie die Absperrung der Luftversorgung und die Flüssigkeitskontrolle. |
| 3/2-Wege-Magnetventil | 3 Ports - 2 Positionen | Wird verwendet, um zu kontrollieren einzeln wirkende pneumatische Zylinder oder pneumatische Pilotventile . | Häufig in den Start- und Stoppoperationen von pneumatischen Schaltungen verwendet. |
| 4/2-Wege-Magnetventil | 4 Ports - 2 Positionen | Steuert die Luftstromrichtung in doppelt wirkenden pneumatischen Zylindern. | Wird in Automatisierungssystemen verwendet , die eine bidirektionale Steuerung erfordern. |
| 5/2-Wege-Magnetventil | 5 Ports - 2 Positionen | Bietet Richtungssteuerung für doppelt wirkende Aktuatoren. | Häufig in verwendet Industrie -Robotern und automatisierten Maschinen . |
| 5/3-Wege-Magnetventil | 5 Ports - 3 Positionen | Ermöglicht Zwischenstopppositionen für eine präzise Kontrolle. Arten von Mittelpositionen: Druckschlossener , Zentrum -Abgas , -Zentrum -Druck. | Zur Verwendung in fortschrittlichen pneumatischen Systemen, die eine präzise Luftstromführung erfordern . |
Das obige ist eine Erklärung des Magnetventilsymbols. Wenn Sie Fragen zur Wartung , der Auswahlanwendungen , oder zur technischen Parameter von Magnetventilen oder anderen pneumatischen Produkten haben, wenden Sie sich bitte an VPC.
Wir bieten Ihnen detaillierte Antworten und technische Unterstützung, damit Sie die Leistung und Effizienz Ihres pneumatischen Systems optimieren können!
Keine Produkte gefunden